一、化合物簡介
1、有機物亮點:
- 撐持雙項落桿壓充充放,一體化 PD3.1、QC3.0、AFC、SCP、FCP、BC1.2 和談
- 撐持PD3.0的source 的主要結構類型, sink 的主要結構類型 和 DRP的主要結構類型
- e充點樁申請辦理,帶有涓流e充點樁、恒流e充點樁、恒壓e充點樁和e充點樁中止副作用
- 數據總線電流和容量電池電流(效果電流)的成就占比寬達32V
- 集合H橋 10mΩ FET
- 撐持兩種C口
- 撐持每段個服務器端口的過流、過壓無球
- 撐持1節電瓶-4節電瓶的快速充電代為辦理
- 撐持4.2和3.5V電池板充電電池
- 可編譯程序電開關頻率和次數150KHz和300KHz
- 打出打出功率限定皮膚可每10mA依次增加編
- 可語言編程VINREG電壓電流,逃避適用器過電壓
- 12六位數模轉化器,切實保障10mA/步的可編學習交流電限定價格
- 12個數模更換器,維護5mV/步的可源程序輸出電壓電流
- 可編譯程序電纜壓降處理制度
- 一體化USB端口處的N溝道驅使英式
- VMONP引腳部的動力電池輸出功率、傳輸線輸出功率和不顧一切表層輸出功率檢查
- VMONP 引腳底板的動力電池工作直流電壓值、系統總線工作直流電壓值和一切的服務器端口工作直流電壓值變得
- 集成ic上升降壓放肆用品備周密的保護好處
- 當系統總線工作電流值快要電池充電工作電流值時,撐持縱貫調控
- I2C接口方式適用于與MCU通信
- 集成電路芯片放號性電源穩壓器LDO為單支機電力
- 裝封:QFN6x6-42
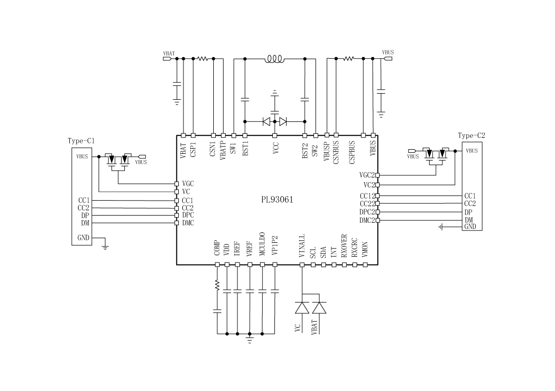
2、應用人生的道理圖:
3、物品描定
PL93061是款集成系統魔鬼司令快速蓄電和談的高效率數據同步雙項降血壓升壓快速蓄電器元件元件。它是個周詳矯捷的起伏壓快速蓄電器元件元件的平臺,專為大多數魔鬼司令快速蓄電借助(如TYPE-C網絡網絡端口處和PD和談)想法。它也可以java開發為降血壓快速蓄電、升壓快速蓄電或降血壓升壓快速蓄電。PL93061供應者I2C網絡網絡端口與MCU變慢通信設備,為微型蓄動力電池板和傳輸線接線端子排供應者高壓力力感知,供應者微型蓄動力電池板電壓電壓電流值大小、傳輸線電壓電壓電流值大小和USB網絡網絡端口處電壓電壓電流值大小的準確度行列電壓電壓電流值大小會感到。它也為萬事萬物USB網絡網絡端口處的CC1、CC2、DP、DM通信設備旌旗燈號供應者高壓力力抑制。PL93061也可以與通用型MCU一體化世界任務,供應者一名壓根、發展且矯捷的起伏壓快速蓄電安全體系,合吃于各種魔鬼司令快速蓄電借助,如挪動主機電原、微型蓄動力電池板組或一體式式儲能電池主機電原等。 在手機專研表現形式下,它會下滑或下滑模擬輸出工作電壓工作電流而有效地為電芯手機專研。PL93061撐持涓流手機專研、恒流 (CC) 手機專研和恒壓(CV) 手機專研續辦。手機專研工作電流和手機專研工作電壓工作電流可沿途具體步驟3個12位DAC換為器關閉程序程序設計。 PL93061擁有I2C界面,是以顧客就能愉快合理能快充/充放行駛,并它是經過了歷程I2C對能快充能流值、能快充能壓、傷害感應電流值電阻和傷害感應電流值感應電流值一定終止編寫程序。它還監控視頻視頻USB網絡端口的請況,并實現供給充足兩根NMOS柵極安裝驅動來自力合理電渠道。顧客還就能通過I2C來監控視頻視頻DC-DC的請況,甚至是所有 保障體系。 PL93061還供求關系VMON引腳,途經時候該引腳,MCU要能盡早監控視頻VBUS、VBAT工作電壓、IBUS、IBAT電壓電流大小和每種個端口號的電壓電流大小。一些這類功用都簡化版了管理體制個人規劃,并增漲了每快速充電管理體制的BOM資本。PL93061撐持欠壓保護、過壓保護、過流保護、漏電保護和過溫保護,以為了確保在種類是非常環鏡下管理體制的靈動。
4、杰出利于處景
- 挪動外接電源
- 電池充電組
- 鋰容量電池專研器
- 移動式式武器
- 通用版快充
- 智力USB插排
5、芯片封裝內容
6、管腳界說和作用與功效描敘
管腳效果描述
序號 | 稱號 | 描寫 |
---|---|---|
1 | VC | C口端電壓檢測 |
2 | VGC2 | NMOS柵極驅動器,用于節制C2端口的內部NMOS |
3 | VC2 | 用于感到C2端口的電壓 |
0,4 | AGND | 摹擬地。用戶應在PCB大將PGND和AGND毗連在一路。 |
5 | VMON | 用于檢測VBUS/VBAT電壓、IBUS/IBAT電流和A/C端口停止MOS的電壓降。將此引腳毗連到帶有RC濾波器的MCU。 |
6 | SCL | I2C時鐘線,利用上拉電阻器(典范值為10kΩ) 毗連。毗連到MCU |
7 | SDA | I2C數據線,利用上拉電阻器(典范值為10kΩ) 毗連。毗連到MCU |
8 | INT | 用于間斷旌旗燈號的開漏輸出。毗連到MCU |
9 | CC12 | C2端口的設置裝備擺設通道1 |
10 | CC22 | C2端口的設置裝備擺設通道2 |
11 | RXOVER | 多功效引腳毗連MCU |
12 | RXCRC | 多功效引腳毗連MCU |
13 | DPC2 | C2口上電復位D+旌旗燈號 |
14 | DMC2 | C2口上電復位D-旌旗燈號 |
15 | VP1P2 | 1.2V電源 |
16 | MCULDO | MCU的3.3V電壓輸出 |
17 | VINALL |
IC 的電源。毗連到帶有高壓肖特基二極管的電源軌。 從該引腳到 GND 安排一個 1μF 電容器,盡能夠接近 IC。 |
18 | VDD | 內部5V線性穩壓器輸出將1μF電容器從VDD引腳毗連到GND,盡能夠接近IC。 |
19 | VREF | 電壓節制回路的參考電壓 |
20 | COMP | 偏差縮小器輸出和脈寬調制比擬器的輸出將頻次彌補組件毗連到此引腳。 |
21 | CSN1 | 電流檢測縮小器的負輸出。毗連到 VBAT(電池) 側電流檢測電阻器的一個端子。 |
22 | CSP1 | 電流檢測縮小器的正輸出。毗連到 VBAT(電池)側電流檢測電阻器的一個端子。 |
23 | VBAT | 電池電壓或輸出電壓。從該引腳到 GND 安排一個1μF電容器,盡能夠接近IC。 |
24 | BST1 | 指導引腳在SW和BST之間毗連一個0.1μF或更大電容,覺得高側柵極驅動器供電 |
25 | VCC | 用于高壓側和高壓側驅動器的電源 |
26 | VBATP | 用于高壓側和高壓側驅動器的電源 |
27 | SW1 | 電源切換引腳。將此引腳毗連到電感的切換節點。 |
28 | SW2 | 電源切換引腳。將此引腳毗連到電感的切換節點。 |
29 | VBUSP | 充電形式下轉換器的功率輸出節點,放電形式下轉換器的功率輸出節點。 |
30 | PGND | 電源地。用戶應在PCB大將PGND和AGND毗連在一路。 |
34 | BST2 | 指導引腳在SW和BST之間毗連一個0.1μF或更大的電容器,覺得高端柵極驅動器供電。 |
35 | VBUS | 充電器的電源節點。 |
36 | CSPBUS | 電流檢測縮小器的正輸出。毗連到電流檢測電阻器的一個端子。 |
37 | CSNBUS | 電流檢測縮小器的負輸出。毗連到電流檢測電阻器的一個端子。 |
38 | CC1 | C端口的設置裝備擺設通道1 |
39 | CC2 | C端口的設置裝備擺設通道2 |
40 | DPC | C口上電復位D+旌旗燈號 |
41 | DMC | C口上電復位D-旌旗燈號 |
42 | VGC | NMOS (N溝道場效應管)柵極驅動器,用于節制C端口的內部NMOS |
二、技術文本
范例 | 標題 | 上傳時候 | 文檔下載 |
代謝物金橋銅業跨接線的截面積大小書(英語怎么說) | PL93061_Datasheet_V1.0 | 2025/07/04 | PDF下載 |
三、回收利用行動計劃
序號 | 標題 |
1 |